
產品概述
電網電能質量問題(如電壓暫升、暫降、瞬時中斷等)對數據中心、石化、軍工、冶金、半導體制造、醫療、金融等領域的大中型企事業單位構成嚴重威脅,可能導致設備停運、工藝流程中斷、關鍵數據丟失乃至設備損壞,進而引發重大經濟損失。為提升供電可靠性、保障敏感負荷持續穩定運行,通常配置多路電源互為備用。當主供電電源發生故障或出現異常時,系統可迅速將關鍵負荷切換至備用電源,從而有效保護重要用電設備,確保供電連續與安全。
機械式轉換開關因其物理條件和工作方式的限制,普遍存在以下不足:
切換時間通常在100ms以上,難以滿足對供電連續性要求較高的重要性、敏感性負荷的需要;
易引發電壓互感器斷線及備用電源自動投入裝置誤動作;
備用電源自投裝置存在拒動或誤閉鎖的風險。
工業型靜態轉換開關(STS)能夠有效解決上述機械式轉換開關的固有問題,可完全替代傳統的備自投裝置。采用“先斷后合”的切換機制,可在不同輸入電源之間實現不間斷切換,從而為單電源負載提供基于雙母線的可靠供電。
產品特點
1.快速負載轉換
?
采用“先斷后合”的切換方式,轉換時間可低至5ms,確保對敏感設備的供電連續性。通過同步控制技術與高精度采樣模塊,實現切換過程的同步一致;結合MCU數字化控制與實時檢測,保障切換過程安全、可靠,全力確保負載供電穩定。
2.手動轉換功能
?
當兩路輸入電源均正常時,支持手動將負載切換至任意一路電源供電,操作靈活便捷。
3.智能報警機制
?
可實時監測常用電源狀態,一旦發生斷電、電壓或頻率超限等異常,設備將自動觸發報警,及時提示用戶。
4.全面保護功能
?
內置多種保護機制,包括過壓/欠壓檢測、高/低頻檢測、超載保護及超溫保護,全方位保障設備與負載安全運行。
5.強大的電力適應能力
?
嚴格遵循電力標準進行設計與生產,采用原裝進口SCR模塊,具備優異的過載與抗沖擊性能。支持同相或不同相位的雙路電源輸入,適應多種電力環境。
6.人機交互與監控
?
配備LCD液晶顯示屏,直觀、清晰地顯示STS運行狀態與參數。
支持RS485通訊接口,可直接與PC連接,實現上位機實時監控。
具備密碼管理及事件記錄功能,便于操作管理與故障追溯。
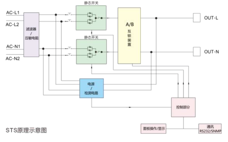
工作原理
STS(靜態轉換開關)是一種為關鍵負載提供高可靠冗余電源的設備。它采用雙輸入電源設計,當主電源異常時,可自動無縫切換至備用電源,確保持續供電不中斷。
該產品支持網絡遠程管理,用戶可通過Web、SNMP或Telnet接口進行監控與配置。
STS采用“二選一”自動切換機制,可在兩路電源之間實現快速轉換。切換條件要求備用電源正常且與主電源保持基本同步,否則無法完成切換。其典型應用場景包括:
UPS 與 UPS 之間、UPS 與發電機之間、UPS 與市電之間、市電與市電之間,設備主要包含智能控制板、高速可控硅及斷路器等部件,具有5ms-10ms的標準切換時間,足以保障IT類負載不斷電,并確保不同相位切換時的安全可靠。
STS廣泛應用于以下領域:電力行業自動化系統、石化行業電源系統、計算中心與通信機房、樓宇自動化與安防系統、其他對電力中斷敏感的關鍵設備。

應用場景
TBS系列靜態轉換開關(STS)為重要負載提供了雙重保護。它能夠在四種不同的輸入電源之間進行不間斷切換,使單電源負載獲得雙母線供電支持,從而顯著提升負載電源的可靠性。該產品與UPS配合使用,可有效保障自動化生產線控制裝置及數據中心等關鍵設施的供電安全。
兩路市電輸入工業現場的1+1冗余:

敏感負載通常采用兩路獨立輸入電源,并通過靜態轉換開關(STS)進行切換,再將電力供給負載。該設計可在不依賴UPS的情況下,有效提升負載的供電可靠性與連續性。
并聯UPS的N+1冗余市電輸入:

在原有一臺UPS供電的基礎上,增加一套STS(靜態轉換開關),并引入另一路獨立市電,可構建一套高可靠的供電備份方案。該方案能夠在UPS需要停機維護或發生故障時,通過STS自動或手動切換至備用市電回路,持續為關鍵負載供電。這不僅解決了單臺UPS無法并聯擴容的問題,也大幅提升了重要負荷供電系統的連續性和可靠性。
并聯UPS的N+1冗余輸入1與輸入2:

技術參數

